Mon compte Se connecter
0
MON PANIER

Sous-total TTC0.00

Hors frais de livraison

Changer de machine

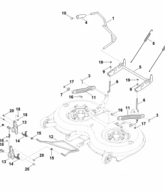
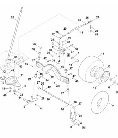
Toutes les vues éclatées - Tracteur tondeuse STIHL RT 6127 ZL

Découvrez notre liste détaillée des plans de pièces détachées pour la Tracteur tondeuse STIHL RT 6127 ZL. (Réf : 6170-200-0030). Identifiez rapidement les composants nécessaires pour l’entretien ou la réparation de votre appareil. Une ressource pratique pour prolonger la durée de vie et optimiser les performances de votre tronçonneuse.