Mon compte Se connecter
0
MON PANIER

Sous-total TTC0.00

Hors frais de livraison

Changer de machine

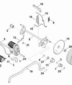
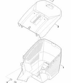
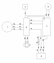
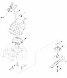
Toutes les vues éclatées - Tondeuse à batterie STIHL RMA 448 VC

Découvrez notre liste détaillée des plans de pièces détachées pour la Tondeuse à batterie STIHL RMA 448 VC. (Réf : 6358-011-1430). Identifiez rapidement les composants nécessaires pour l’entretien ou la réparation de votre appareil. Une ressource pratique pour prolonger la durée de vie et optimiser les performances de votre tronçonneuse.